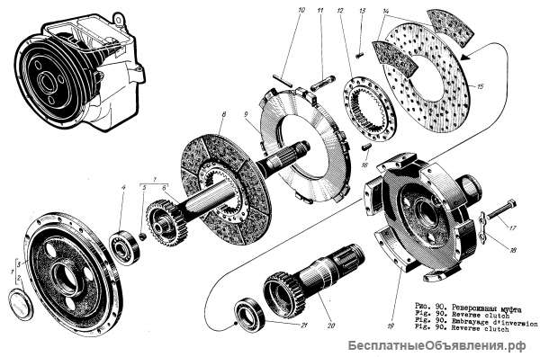
3Д6 3Д12 Реверс-редуктор механический СБ525-00-4
Запасные части для реверс-редукторов
Сб.525-00-4, Сб.525-00-7, Сб. 1225-00-5, Сб.1225Н-00:
Сб.525-02-1 Ролик включения 3Д6,3Д6С 6
Сб.1225-02-4 Муфта реверс.для 3Д12А,3Д6 1 1
Сб.525-03-4 Барабан муфты 1
Сб.1225-03-2 Барабан муфты для3Д6Н,3Д12 1 1
Сб.525-04-1 Диск трения 2/1* 1 *для 3Д6Н-1шт.
Сб.1225-05 Диск трения переднего хо- 1 1
да для 3Д6Н,3Д12А
Сб.1225-06-1 Ролик включения для 3Д6Н, 6 6
3Д12А
Сб.525-07-1 Кронштейн с пальцами 12 12
Сб.1225-08-3 Вал п/х для 3Д6Н и 3Д12А 1 1
Сб.525-09-6 Бугель в сборе с подшипик. 1 1
Сб.1225-10 Фланец промежуточный для 1 1
3Д6Н,3Д12А
Сб.525-150 Муфта реверсивная для 3Д6 1
Сб.525-156-2А Вал заднего хода 1
Сб.525-164-6 Бугель в сборе с нажим.вту 1 1
Сб.525-170-5 Фланец промежуточный 1
Сб.1225-104 Шестерня со ступицей 1 1:1,33,Z=34
525-15-2А Кулачек 6 6
525-16-5 Вилка включения 1 1
1225-17-2 Диск средний для 3Д6Н,3Д12 1 1
1225-20-3 Сектор сцеп.для 3Д6Н,3Д12, 12* 12 *для 3Д6Н,
525-24-02 Шестерня перед.хода ведущ. 1 1:2,02,Z=35
525-24-03 Шестерня перед.хода ведуш 1 1:3,07,Z=26
1225-24 Пружина ролика включения 6 6
1225-26-4 Вал заднего хода для 3Д6Н, 1 1
3Д12А
525-30-04 Шестерня задн.хода ведущ. 1 1:2,96,Z=25
1225-31-04 Шестерня промежут.з/х для 1 1 1:2,18,Z=26
3Д6Н,3Д12А
1225-38-01 Шестерня переднего хода 1 1:1,33,Z=45
ведом.для 3Д6Н,3Д12А
1225-38-02 Шестерня передн.хода ведом 1 1 1:2,04,Z=53
для 3Д6Н,3Д12А
1225-38-03 Шестерня передн.хода ведом 1 1 1:2,95,Z=59
для 3Д6Н,3Д12А
1225-39-04 Шестерня з/х вед.3Д6Н,3Д12 1 1 1:2,18,Z=48
525-40-1 Крышка сальника вых.вала 1 1
1225-40-1 Вал выходной 1 1
525-43-4А Гайка шлицевая 1 1
1225-46-04 Шестерня задн. хода ведущ. 1 1 1:2,18,Z=22
для 3Д6Н,3Д12А
1225-47-3А Гайка вала з/хода для 3Д6Н 1 1
3Д12А
525-48-02 Шестерня п/хода ведущая 1 1:2,02,Z=71
525-48-03 Шестерня п/хода ведущая 1 1:3,07,Z=80
1225-48-01 Шестерня п/хода ведущая 1 1:1,33.Пос.в уз.
1225-48-02 Шест.п/х ведущ.3Д6Н,3Д12А 1 1 1:2,04,Z=26
1225-48-03 Шестерня п/хода ведущ.для 1 1 1:2,95,Z=20
3Д6Н,3Д12А
525-49-04 Шестерня з/хода ведомая 1 1:2,96,Z=74
1225-53-3А Гайка вала п/хода для 3Д6Н 1 1
3Д12А
525-56-6А Вал переднего хода 1
525-58-2 Диск средний 1
525-59 Шпонка сегментная 2 2
525-64-1 Фиксатор 1 1
525-67-2 Валик вилки включения 2 2
525-71-04 Шестерня промежуточная 1 1:2,96,Z=32
525-73-5 Ось 1 1
525-75-6 Втулка нажимная 1 1 Вход.в Сб525-09-6
525-96-1 Сектор сцепления 24 12
525-132-1 Прокл.уплот.выходн.вала 2 2
Сб.525-00-4, Сб.525-00-7, Сб. 1225-00-5, Сб.1225Н-00:
Сб.525-02-1 Ролик включения 3Д6,3Д6С 6
Сб.1225-02-4 Муфта реверс.для 3Д12А,3Д6 1 1
Сб.525-03-4 Барабан муфты 1
Сб.1225-03-2 Барабан муфты для3Д6Н,3Д12 1 1
Сб.525-04-1 Диск трения 2/1* 1 *для 3Д6Н-1шт.
Сб.1225-05 Диск трения переднего хо- 1 1
да для 3Д6Н,3Д12А
Сб.1225-06-1 Ролик включения для 3Д6Н, 6 6
3Д12А
Сб.525-07-1 Кронштейн с пальцами 12 12
Сб.1225-08-3 Вал п/х для 3Д6Н и 3Д12А 1 1
Сб.525-09-6 Бугель в сборе с подшипик. 1 1
Сб.1225-10 Фланец промежуточный для 1 1
3Д6Н,3Д12А
Сб.525-150 Муфта реверсивная для 3Д6 1
Сб.525-156-2А Вал заднего хода 1
Сб.525-164-6 Бугель в сборе с нажим.вту 1 1
Сб.525-170-5 Фланец промежуточный 1
Сб.1225-104 Шестерня со ступицей 1 1:1,33,Z=34
525-15-2А Кулачек 6 6
525-16-5 Вилка включения 1 1
1225-17-2 Диск средний для 3Д6Н,3Д12 1 1
1225-20-3 Сектор сцеп.для 3Д6Н,3Д12, 12* 12 *для 3Д6Н,
525-24-02 Шестерня перед.хода ведущ. 1 1:2,02,Z=35
525-24-03 Шестерня перед.хода ведуш 1 1:3,07,Z=26
1225-24 Пружина ролика включения 6 6
1225-26-4 Вал заднего хода для 3Д6Н, 1 1
3Д12А
525-30-04 Шестерня задн.хода ведущ. 1 1:2,96,Z=25
1225-31-04 Шестерня промежут.з/х для 1 1 1:2,18,Z=26
3Д6Н,3Д12А
1225-38-01 Шестерня переднего хода 1 1:1,33,Z=45
ведом.для 3Д6Н,3Д12А
1225-38-02 Шестерня передн.хода ведом 1 1 1:2,04,Z=53
для 3Д6Н,3Д12А
1225-38-03 Шестерня передн.хода ведом 1 1 1:2,95,Z=59
для 3Д6Н,3Д12А
1225-39-04 Шестерня з/х вед.3Д6Н,3Д12 1 1 1:2,18,Z=48
525-40-1 Крышка сальника вых.вала 1 1
1225-40-1 Вал выходной 1 1
525-43-4А Гайка шлицевая 1 1
1225-46-04 Шестерня задн. хода ведущ. 1 1 1:2,18,Z=22
для 3Д6Н,3Д12А
1225-47-3А Гайка вала з/хода для 3Д6Н 1 1
3Д12А
525-48-02 Шестерня п/хода ведущая 1 1:2,02,Z=71
525-48-03 Шестерня п/хода ведущая 1 1:3,07,Z=80
1225-48-01 Шестерня п/хода ведущая 1 1:1,33.Пос.в уз.
1225-48-02 Шест.п/х ведущ.3Д6Н,3Д12А 1 1 1:2,04,Z=26
1225-48-03 Шестерня п/хода ведущ.для 1 1 1:2,95,Z=20
3Д6Н,3Д12А
525-49-04 Шестерня з/хода ведомая 1 1:2,96,Z=74
1225-53-3А Гайка вала п/хода для 3Д6Н 1 1
3Д12А
525-56-6А Вал переднего хода 1
525-58-2 Диск средний 1
525-59 Шпонка сегментная 2 2
525-64-1 Фиксатор 1 1
525-67-2 Валик вилки включения 2 2
525-71-04 Шестерня промежуточная 1 1:2,96,Z=32
525-73-5 Ось 1 1
525-75-6 Втулка нажимная 1 1 Вход.в Сб525-09-6
525-96-1 Сектор сцепления 24 12
525-132-1 Прокл.уплот.выходн.вала 2 2
| Цена: |
290 000 руб
|
| Город: |
Петропавловск-Камчатский
|
| Тип: | Продаю |
| Автор: |
|
На сайте с 09.02.2017
|
|
| Дата: | 03.12.2025 09:46 |
| Номер: | 1828534 |
Сделать объявление:
Ссылка на это объявление:
Похожие объявления
Судовой двигатель 7Д12А
860 000 руб
03.12.2025
Насос забортной воды 3Д6 3Д12 СБ584-01-25
38 000 руб
03.12.2025
ДРА-150 Судовые двигатели, дизель редукторный агрегат 150-500 л.с.
1 380 000 руб
03.12.2025
А-01МРСИ Дизель (раздельная головка) Трактор Т-4
550 000 руб
03.12.2025
3Д6 3Д12 Поршень 504-05-18-1
3 000 руб
03.12.2025
Сб.1225-02-4 Муфта реверсивная 3Д6, 3Д12
140 000 руб
03.12.2025
А-41С Дизель Тракторы ДТ-75М, ДТ-75МВ, ДТ-75МЛ
320 000 руб
03.12.2025
3Д6 3Д12 Охладитель водяной СБ575-00-10-1
36 000 руб
03.12.2025
Судовые дизель-редукторные агрегаты ДРА мощностью от 75 до 500 л.с. (от 55 до 530 кВт)
100 руб
03.12.2025
Сб1225-05 Диск трения 3Д12
8 700 руб
03.12.2025
Гильза цилиндров(втулка) 3Д6, 3Д12 503-07-2
9 500 руб
03.12.2025
Судовой двигатель 3Д6, 3Д6С, 3Д6ЛС, 3Д6С2, 3Д6ЛС2
880 000 руб
03.12.2025
3Д6 3Д12 Вал коленчатый СБ505-01-6
110 000 руб
03.12.2025
CБ1225-00-5 Реверс-редуктор механический 3Д12
350 000 руб
03.12.2025
Д-442-25БИ Дизель
450 000 руб
03.12.2025
Двигатель дизельный тракторы ДТ-75М, ДТ-75МВ, ДТ-75МЛ А-41СИ
430 000 руб
03.12.2025
525-16-5 Вилка включения
4 000 руб
03.12.2025
Двигатель дизельный судовой 7Д6, 7Д6-150, 7Д6-150АФ
680 000 руб
03.12.2025
3Д12А Судовой двигатель
1 050 000 руб
03.12.2025
Рубашка цилиндров 3Д6, 3Д12 СБ503-03-3
35 000 руб
03.12.2025
3Д6 3Д12 Форсунка СБ517-00-8 С1
2 600 руб
03.12.2025
Дизели ЯМЗ-236 и ЯМЗ-238 судового исполнения
180 000 руб
20.06.2016
3Д6 3Д12 Насос водяной СБ511-00-55
12 000 руб
03.12.2025
Сб.525-04-1 Диск трения 3Д6 3Д12
8 300 руб
03.12.2025
Сб525-02-1 Ролик включения 3Д6 3Д12
1 200 руб
03.12.2025
3Д6 3Д12 Топливный насос СБ527-00-3
35 000 руб
03.12.2025
Запчасть вал переднего хода 3Д6 525-56-6А
25 000 руб
03.12.2025
А-01М Дизель (блочная головка) Трактор Т-4, ТТ-4, ТТ-4М
350 000 руб
03.12.2025
Винт гребной
100 руб
03.12.2025
СБ525-01-13 Реверс-редуктор судовой
530 000 руб
03.12.2025

7Д12А Для привода генератора 200 кВт судовых автоматизированных установок типа У30А, У30АМ. Оговаривается: НЗВ-1,5 или 5м, с ВОМ или б/ВОМ, ...